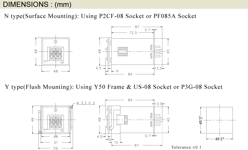
Prev Next Timer Digital Timer AH5C DUAL-RANGE TIMER Add to inquiry Inquiry list Description Wiring and timing diagrams Overall dimensions or other Download Pushwheel switch for accurate setting Varieties of time ranges (99.9S ~ 999S or99.9M ~ 999M) via slide switch CE recognized AH5C Catalogue